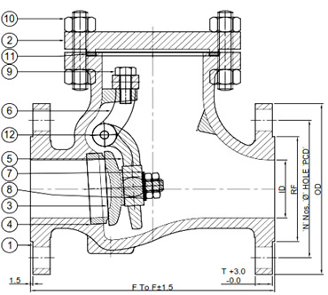
1. Simple Design, Effective Functionality : The swing check valve operates on a simple yet effective principle. The swinging disc, hinged at the top, swings freely in the direction of flow, permitting unimpeded passage, and swings back to block reverse flow, ensuring fluid only travels in one direction.
2. Efficient Backflow Prevention : Swing check valves excel in preventing backflow, making them invaluable in applications where maintaining a unidirectional flow is crucial for the integrity of the system.
3. Low Pressure Drop : With minimal obstruction to flow in the open position, swing check valves contribute to low pressure drop, ensuring efficient fluid movement through the pipeline.
4. Versatile Applications : Swing check valves find widespread use in various industries, including water treatment, wastewater management, HVAC systems, and more, showcasing their versatility and adaptability to different fluid control scenarios.
5. Reliable Shut-Off : Swing check valves provide reliable shut-off capabilities, ensuring a tight seal to prevent leakage when the valve is in the closed position.
In summary, the swing check valve's simplicity, efficiency, and reliability make it an indispensable component in fluid control systems, offering effective backflow prevention and contributing to the seamless operation of diverse industrial processes.
